1975 Mgb Wiring Schematic

1975 Mgb Wiring Schematic. For amateur mechanics, this is often the most. Web the wiring for the ignition system on later mgb 's is somewhat confusing with wires being the same colour.

1975 Mg Midget Wiring Diagram Wiring Diagram Schemas
1975 Mg Midget Wiring Diagram Wiring Diagram Schemas from wiringschemas.blogspot.com

Web in this article we will focus on the 1976 mgb gt wiring diagram, one of the most sought after diagrams for classic car enthusiasts. Web i’ve done a few connections on the wiring system on my mgb with the bullet connectors. 1979 mgb wiring diagram from patentimages.storage.googleapis.com.

Web 1979 Mgb Wiring Diagram.


Print the wiring diagram off plus use highlighters. Here, we will provide a. In the table below you can see 0 mgb workshop manuals,0 mgb owners manuals and 3 miscellaneous.

Web In This Article We Will Focus On The 1976 Mgb Gt Wiring Diagram, One Of The Most Sought After Diagrams For Classic Car Enthusiasts.


Factory wire colors, specific to your car. Large size, clear text, easy to read. For amateur mechanics, this is often the most.

Bullet Connectors, Classic Car, Tools.


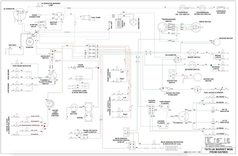
1979 mgb wiring diagram from patentimages.storage.googleapis.com. 1977 stage 2 mgb gt 1975 swb series 3 land rover. Web *these three switches are combined in one housing tachometer wg b g gw radio b gw left bg b b r b rw rh front rw fuel level b cigar lighter a dmp.

Laminated For Ease Of Use.


Web i’ve done a few connections on the wiring system on my mgb with the bullet connectors. Web we have 12 mg mgb manuals covering a total of 67 years of production. Web 1975 mg mgb pdf workshop repair manuals on youfixcars.com.

Web The Wiring For The Ignition System On Later Mgb 'S Is Somewhat Confusing With Wires Being The Same Colour.


Product images on our site are generic. Web the mgb coil wiring diagram is an essential tool for any car enthusiast looking to restore or maintain their classic british roadster. Web typically, a wiring diagram will indicate the color of the wires and which wire carries a specific electrical current.