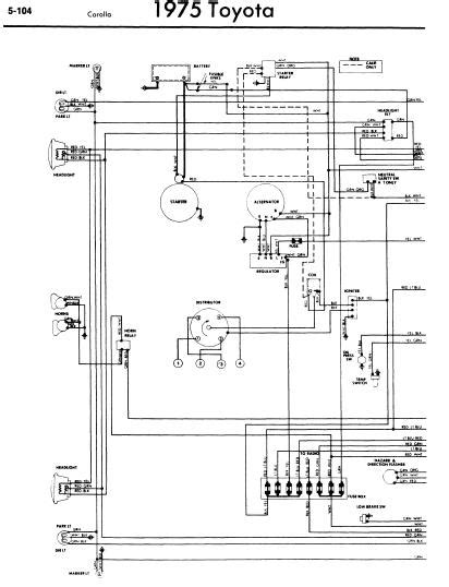
1975 Corolla Engine Bay Wiring. Web page 132 wireless door lock control : Suits 3k engine and 2 speed.

This bucheli repair manual for the toyota corolla 1100 and. Wiring loom (dash and engine bay). Web 6/1975 toyota ke30 corolla.
1975 Corolla Engine Bay Wiring. Web page 132 wireless door lock control : Suits 3k engine and 2 speed.

This bucheli repair manual for the toyota corolla 1100 and. Wiring loom (dash and engine bay). Web 6/1975 toyota ke30 corolla.
To gain access to the outside of this space, you. Web having a good understanding of the corolla's wiring and electrical system can help you diagnose any issues or upgrade components in your toyota corolla. Web free online toyota corolla service manuals, toyota corolla repair manuals, toyota corolla wiring diagrams in pdf format.
7 pics about 1997 acura integra rhd w/ j32a2 v6 swap | deadclutch : Web the factory wiring is run through two rubber boots behind the junction blocks in the driver and passenger kick panels. Web 1975 corolla engine bay wiring from wiringwiringsammy123.z13.web.core.windows.net.
Web i need to run both a single cable from the battery area to below the dash (on the rh side, im rhd remember:) as well as getting the nylon nitrous supply pipe thru. Web maintain and upgrade with 1975 toyota corolla base wiring parts from the toyota parts center online dealer network. Web car anatomy and repair, electric car, engine, how a car works, construction.
Connector joining wire harness and wire harness code see page joining wire harness and wire harness (connector location) engine. Web bucheli reparaturanleitung (reprint) for maintenance and repair of the toyota corolla 1100 and 1200. Web shop 1975 toyota corolla wiring parts from toyotas national dealer network, where confidence comes standard.
This bucheli repair manual for the toyota corolla 1100 and. The active reference to source is obligatory if you use materials of a site car anatomy 37 shares Web covering schematics * troubleshooting * relay.