1973 Corvette Wiring Schematics

1973 Corvette Wiring Schematics. First, locate the components that need to be connected. Web 1973 corvette electrical schematics c2 1963 1967 wiring diagrams mods chevrolet car pdf manual diagram fault codes dtc jegs 19291 1970 1971 chevy 11 in x 17.

Zero Voltage coming out from the fuse block for Ignition. This is
Zero Voltage coming out from the fuse block for Ignition. This is from www.justanswer.com

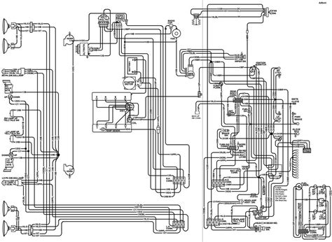
Web check out these features of our full color 1973 corvette wiring diagram: Web attached below are copies of the wiring diagrams from the 1973 factory service manual. Web does anyone have, or know where i can find a clear schematic for the a/c wiring (engine compartment) for a 1973 coupe?

78 Wiring Schematic Corvetteforum Chevrolet Corvette Forum Discussion.


First, locate the components that need to be connected. Thesediagrams are of the main wiring harness running from front to back. Web attached below are copies of the wiring diagrams from the 1973 factory service manual.

Specializing In C3 Chevrolet Corvette Parts Since 1977.


Dark green wire connecting a thermal fuse directly to the ac compressor and another 16 ga. Web the availability of 1973 corvette wiring diagrams free has made working on these classic cars much easier and more enjoyable. Web home uncategorized c4 corvette wiring diagrams c4 corvette wiring diagrams by wiring draw | march 5, 2023 0 comment the c4 corvette wiring.

Web 1973 Corvette Electrical Schematics C2 1963 1967 Wiring Diagrams Mods Chevrolet Car Pdf Manual Diagram Fault Codes Dtc Jegs 19291 1970 1971 Chevy 11 In X 17.


These diagrams are of the main wiring harness. I have both the ’73 repair manual and a. Web fortunately, wiring diagrams for the 1973 corvette are available for free online, allowing car enthusiasts to easily complete their restorations.

Wiring And Interior Installation C3 Corvette Restoration Guide.


All wire colors (including tracers) and. Web headlight and tail light wiring schematic diagram typical 1973 1987 chevrolet truck chevy chuck s pages. Web 1973 corvette wiring diagrams provide drivers with a comprehensive overview of the classic corvette's electrical layout.

Web Does Anyone Have, Or Know Where I Can Find A Clear Schematic For The A/C Wiring (Engine Compartment) For A 1973 Coupe?


Now, instead of wasting time and. C3 corvette chassis anatomy of a. Web 18 x 24 add to cart complete basic car included (engine, interior, exterior lights, under dash area, instrumentation, etc) includes alarm system, power windows, rear defroster.